
產品材質以鋼板為基體,中間燒結球形青銅粉或者青銅網,表面壓制以高性能改性工程塑料
產品特點具有高承載、低摩擦性
應用場景廣泛應用于各種機械的滑動部位
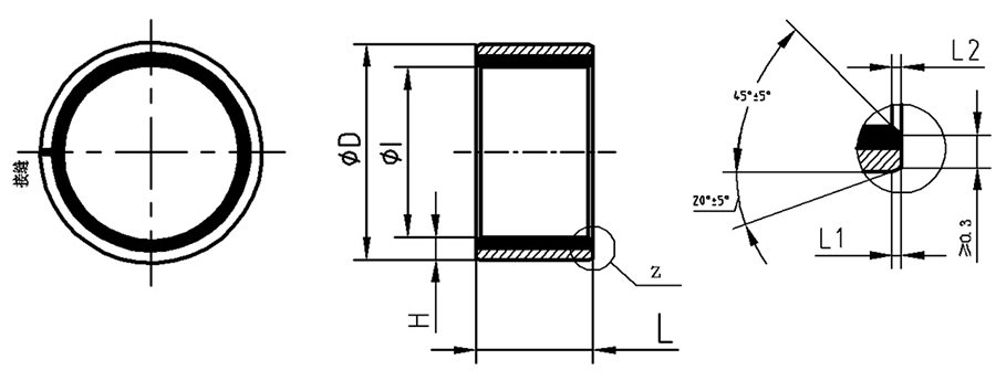
| H | 0.50-0.02 | 0.750-0.02 | 1.0+0.005-0.02 | 1.5+0.005-0.025 | 2.0+0.005-0.03 | 2.5+0.005-0.04 |
| L1 | - | 0.5±0.3 | 0.6±0.3 | 0.6±0.4 | 1.2±0.3 | 1.8±0.3 |
| L2 | - | 0.3±0.2 | 0.3±0.2 | 0.4±0.3 | 0.6±0.3 | 0.6±0.4 |
| 項目 | 單位 | 材料型號 | |||||||
| MYB302 | MYB303 | MYB305 | MYB306 | MYB307 | MYB308 | MYB309 | |||
| 最大承載P | 動載 | MPa | 140 | 140 | 140 | 140 | 100 | 100 | 70 |
| 靜載 | MPa | 250 | 250 | 250 | 250 | 140 | 140 | 140 | |
| 最大線速度V (脂潤滑) | m/s | 2 | 2 | 2 | 2 | 1.5 | 2 | 2 | |
| 最高PV值 | N/mm2·m/s | 3.2 | 3.2 | 3.2 | 3.2 | 2.8 | 3 | 2.8 | |
| 摩擦系數 | - | ≤0.18 | ≤0.18 | ≤0.18 | ≤0.18 | ≤0.3 | ≤0.2 | ≤0.25 | |
| 壓縮變形 23℃/140MPa/1h | mm | ≤0.01 | ≤0.01 | ≤0.01 | ≤0.01 | ≤0.03 | ≤0.03 | ≤0.03 | |
|
體積電阻率 |
?cm | ≤105 | >1012 | ≤105 | >1012 | >1012 | >1012 | >1012 | |
| 工作溫度 | 長期 | ℃ | -200 ~ +280 | -200 ~ +280 | -200 ~ +280 | -200 ~ +280 | -40 ~ +130 | -100 ~ +140 | -70 ~ +110 |
| 短期 | ≤300 | ≤300 | ≤300 | ≤300 | ≤140 | ≤150 | ≤120 | ||
| 導熱系數 | W(m·k) | 60 | 60 | 40 | 40 | 50 | 50 | 45 | |
| 熱膨脹系數 | K-1 | 18X10-6 | 18X10-6 | 11X10-6 | 11X10-6 | 16X10-6 | 16X10-6 | 15X10-6 | |